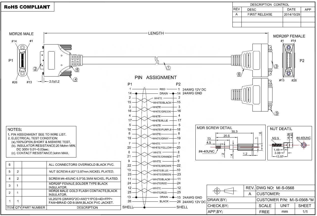
This Camera Link cable is used for industrial camera and frame grabber applications. High-flex cable assemblies meet or exceed the
standard specifications of the Camera Link standard. Additionally, deliver exceptionally long life of at least 5~10 million flex cycles, providing flexibility for moving applications.
We manufacture Camera Link cable assemblies to any length for custom fitting. The over mold jacket is extremely durable, flexible, and water-proof. Each twisted conductor features ultraflex, finely stranded wires, with dual shielding for optimum signal quality and speed.
.






